Lampa zabiegowa Solis 60 – Natężenie światła 60 tys lux.
Natężenie światła z odległości 1m to 60 000 lux. Lampy zabiegowe serii SOLIS 60 są przeznaczone do stosowania jako podstawowe źródło oświetlenia w diagnostyce i przy zabiegach w gabinetach lekarskich i zabiegowych, ale także w precyzyjnych operacjach intensywnej terapii, salach dla rekonwalescencji oraz oddziałach pierwszej pomocy.
Lampa SOLIS 60 posiada kolisty reflektor zaprojektowany w celu dokładnego oświetlenia pola roboczego oraz wyeliminowania cieni. Lampa ta posiada nadający się do sterylizacji uchwyt, który umożliwia ustawienie pozycji kopuły. Płaski korpus oświetlający wyposażony jest w poliwęglanowy ekran, który zapewnia ochronę przed możliwymi przypadkowymi uderzeniami.
Budowa lampy
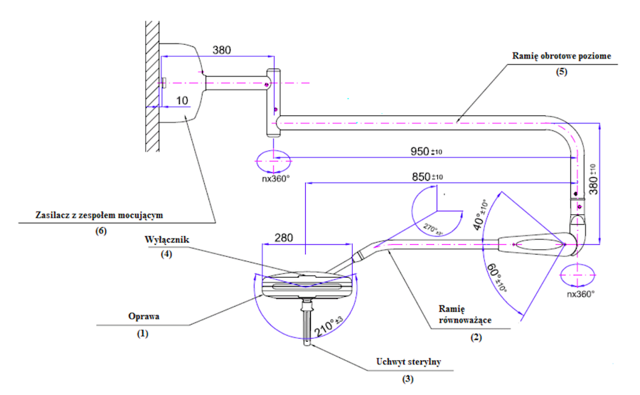
Położenie lampy SOLIS 60 można zmienić dzięki możłiwości obracania wokół czterech osi: konstrukcja zapewnia zdolność zataczania pełnego okręgu bez zatrzymań. Ramię porusza się pionowo dzięki skompensowanemu za pomocą sprężyny urządzeniu równoważącemu. Reflektor może być obracany wzdłuż osi pionowej i poziomej. Dzięki innowacyjnemu rozwiązaniu „bezdotykowego” sterowania operator może nastawić natężenie światła stosowanie do własnych potrzeb.
Bezdotykowy sterownik
Lampy są wyposażone w bezdotykowy sterownik pozwalający na trójstopniową regulację natężenia światła.
Wytrzymała i łatwa w czyszczeniu
Oprawa jest wykonana z tworzywa o bardzo wysokiej odporności mechanicznej. Posiada uchwyt sterylny, przeznaczony do manewrowania lampą. Konstrukcja lampy umożliwia łatwe czyszczenie, dezynfekcję i sterylizację ogólnie dostępnymi środkami. Kopuła charakteryzuje się brakiem widocznych śrub i innych zagłębień mogących utrudniać jej mycie i dezynfekcję.
Poręczna konstrukcja
Kolisty reflektor zaprojektowany w celu dokładnego oświetlenia pola roboczego oraz wyeliminowania jakichkolwiek cieni, posiada nadający się do sterylizacji, poręczny uchwyt, który ułatwia ustawienie jego pozycji.
Ultra płaski korpus oświetlający, nie przeszkadza operatorowi, jest wyposażony w wytrzymały poliwęglanowy ekran, który zapewnia ochronę przed możliwymi przypadkowymi uderzeniami.
Położenie lampy SOLIS 60 można z łatwością zmieniać dzięki właściwości obracania się wokół 4 osi: konstrukcja zapewnia zdolność zataczania pełnego okręgu bez zatrzymań.
Ramię porusza się pionowo dzięki skompensowanemu za pomocą sprężyny urządzeniu równoważącemu. Reflektor może być obracany wzdłuż osi pionowej i poziomej.
Konfiguracje lampy
Lampy Solis 60 występują w następujących konfiguracjach:
-
Solis 60F – wersja mobilna
-
Solis 60C – wersja sufitowa
-
Solis 60W – wersja ścienna
-
Solis 60/60F – wersja mobilna podwójna
-
Solis 60/60C – wersja sufitowa podwójna
-
Solis 60/60W – wersja ścienna podwójna
-
Solis 60FA – wersja mobilna z awaryjnym zasilaniem akumulatorowym
Parametry techniczne lampy Solis 60:

SECA 799 Elektroniczna medyczna waga kolumnowa ze wzrostomierzem i legalizacją
ADE M320600 02 Elektroniczna waga podłogowa, funkcja TARA
Vitammy Autoband białe buźki 5cm x 450cm Elastyczny bandaż kohezyjny samoprzylepny
Vitammy Autoband dinozaury 10cm x 450cm Elastyczny bandaż kohezyjny samoprzylepny 










